Nakkebom FT50

FKnr.: 746340 | Leverandørens varenr.: 183057374
Produktinformasjon
Produktinformasjon

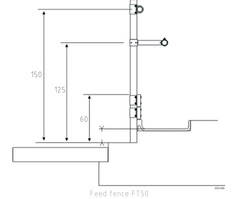
Det er en enkel løsning som gir dyrene god tilgang til forbrettet.  Det kan kombineres med fritthengende båsskiller som gir dyrene en rolig eteplass. Nakkebommen er flyttet inn over forbrettet slik at faren for trykkskader reduseres.  

Den består av 2" rør på 70x70 stolper, og det er flere alternative beslag for å tilpasse avstanden fra nakkebom og til stolpe.  Bør brukes der grovforet et godt kuttet (finsnittet) eller mixet grovfor da det enkelt kan dras for inn i gjødselarealet.

Fleksible størrelser.

 

Egenskaper
Dokumenter og sikkerhetsdatablad
Lenker

Det er en enkel løsning som gir dyrene god tilgang til forbrettet.  Det kan kombineres med fritthengende båsskiller som gir dyrene en rolig eteplass. Nakkebommen er flyttet inn over forbrettet slik at faren for trykkskader reduseres.  

Den består av 2" rør på 70x70 stolper, og det er flere alternative beslag for å tilpasse avstanden fra nakkebom og til stolpe.  Bør brukes der grovforet et godt kuttet (finsnittet) eller mixet grovfor da det enkelt kan dras for inn i gjødselarealet.

Fleksible størrelser.

 

Les flere detaljer

Betalingspartnere